GEBÄUDEAUTOMATION
Abläufe optimieren, Nachhaltigkeit steigern
Dank unserer jahrelangen Erfahrung sind wir von GA-Ingenieure Ihr zuverlässiger Partner für eine nachhaltige und energieeffiziente Gebäudeautomation, die Sie konsequent weiterbringt!
Planung der Gebäudeautomation von Ihrem Partner aus Wr. Neudorf
Das Feld der Gebäudeautomation ist aus der modernen Gebäudetechnik nicht mehr wegzudenken! Dank neuester technischer Möglichkeiten bietet die Gebäudeautomation ein großes Potential für Unternehmensgebäude, Schulen, öffentliche Einrichtungen, Krankenhäuser und viele andere! Wir von GA-Ingenieure bieten Ihnen in diesem Bereich ein umfassendes Leistungsspektrum, darunter:
- Gebäudeautomation nach VDI 3814 & ÖNORM 16484
- BIM – Building Information Modeling
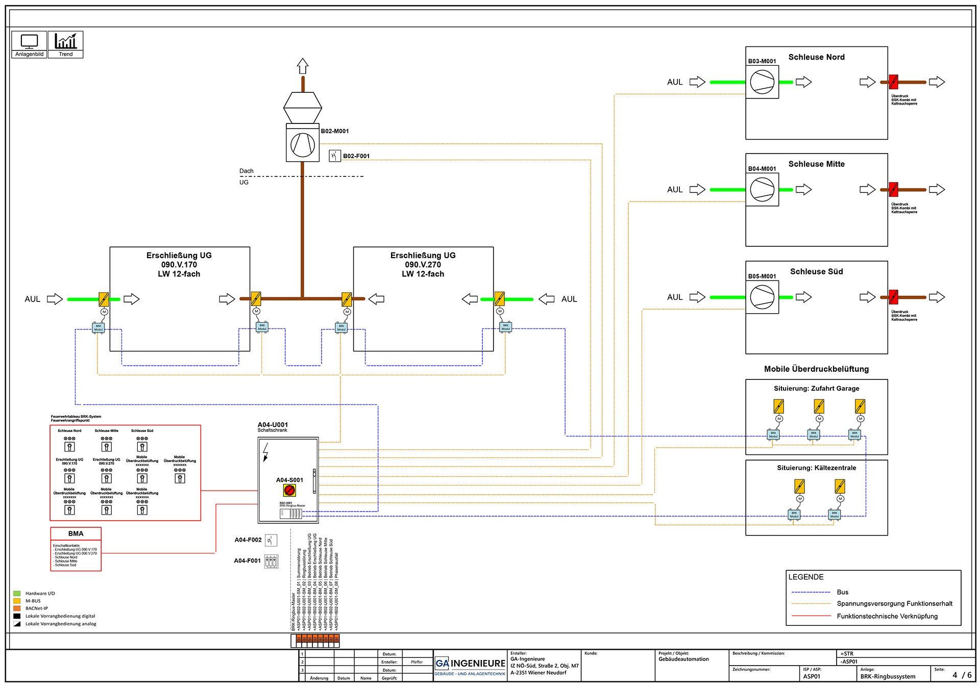
- Anlagenkennzeichnungssysteme
- Mess- und Zählerkonzepte
- Lastenheft für bedarfsgerechte Automationssysteme
- Gebäudeleittechniksysteme (Multi-Vendor MBE)
- Benachrichtigungs- und Alarmierungssysteme
Um Ihr Gebäude durch Automationstechnik
effizienter, nachhaltiger und ökonomischer zu gestalten, analysieren wir mit ausgewählten Verfahren die Gegebenheiten und Möglichkeiten vor Ort.
GA-Ingenieure: Automatisierte Gebäudeabläufe in Österreich, Deutschland und der Schweiz
Wichtig ist, dass eine professionelle Gebäudeautomation nicht nur die Nachhaltigkeit und Energieeffizienz des Bauwerks steigert, sondern auch das Wohlbefinden der Menschen, die tagtäglich durch dessen Türen ein und ausgehen, nachhaltig verbessern kann. So können Mess- und Zählerkonzepte oder Benachrichtigungs- und Alarmierungssysteme den Bedürfnissen der Menschen gezielt entgegenkommen. Jedes Gebäude ist einzigartig, so passen wir auch jedes Automatisierungssystem individuell an jedes Bauwerk an. Handelt es sich um eine Schule, sind die Anforderungen naturgemäß andere als bei einem Bürokomplex.
Egal wie Ihre persönlichen Ziele aussehen, GA-Ingenieure ist Ihr verlässlicher Begleiter auf dem Weg, diese zu verwirklichen. Senden Sie uns Ihre Anfrage, wir vereinbaren gerne einen unverbindlichen Beratungstermin!







